Page top

Industrial Automation

Industrial Automation

Discontinued On Mar. 2015

K8AB Series

Measuring and Monitoring Relays

K8AB Series

Eight slim models featuring a variety of innovative new functions

* Information in this page is a reference that you created on the basis of information in the product catalog before the end of production, may be different from the current situation, such as goods for / supported standards options / price / features of the product. Before using, please check the compatibility and safety system.

(Unit: mm)

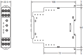
K8AB-AS
Single-phase Current Relay

K8AB-AS1
K8AB-AS2
K8AB-AS3

K8AB Series Dimensions 2

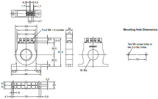
OMRON CT
K8AC-CT200L

K8AB Series Dimensions 3

Note: The OMRON Current Transformer (CT) is designed to be used with the K8AB-AS3.
          Use terminals k and l for connections. (Terminals kt and lt are not used.)

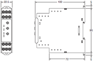
K8AB-VS
Single-phase Voltage Relay

K8AB-VS1
K8AB-VS2
K8AB-VS3

K8AB Series Dimensions 5

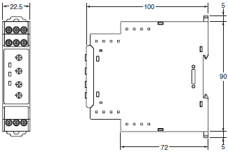
K8AB-VW
Single-phase Voltage Relay

K8AB-VW1
K8AB-VW2
K8AB-VW3

K8AB Series Dimensions 7

K8AB-PH
Phase-sequence Phase-loss Relay

K8AB-PH1

K8AB Series Dimensions 9

K8AB-PM
Three-phase Phase-sequence Phase-loss Relay

K8AB-PM1
K8AB-PM2

K8AB Series Dimensions 11

K8AB-PA
Three-phase Asymmetry and Phase-sequence Phase-loss Relay

K8AB-PA1
K8AB-PA2

K8AB Series Dimensions 13

K8AB-PW
Three-phase Voltage Relay

K8AB-PW1
K8AB-PW2

K8AB Series Dimensions 15

K8AB-TH
Temperature Monitoring Relay

Temperature Monitoring Relay

K8AB-TH

K8AB Series Dimensions 18

Note: Pull out and use the hooks when mounting using screws.

Track Mounting Products (Sold Separately)

Mounting Track
PFP-100N
PFP-50N

K8AB Series Dimensions 20

Note: Dimensions in parentheses are for the PFP-50N.