Page top

Industrial Automation

Industrial Automation

H5S

Digital Time Switch

H5S

Easier, More Convenient Time Switches, with New 4-circuit Output and Yearly Models in Addition to 2-circuit Weekly Models

(Unit: mm)

Digital Time Switch

Flush Mounting Model
H5S-[]A[]/-[]B[]

H5S Dimensions 2

Surface Mounting Model
H5S-[]FA[]/-[]FB[]

H5S Dimensions 3

Accessories (Order Separately)

Flush Mounting Adapter
Y92F-39

H5S Dimensions 5

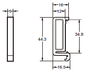
Track Mounting Accessories (Order Separately)

Mounting Track
PFP-100N
PFP-50N

H5S Dimensions 8

* The numbers in parentheses ( ) are dimensions for the PFP-50N

PFP-100N2

H5S Dimensions 9

End Plate
PFP-M

H5S Dimensions 10

Spacer
PFP-S

H5S Dimensions 11