G5 Series Linear Motor/Servo Drives with built-in EtherCAT Communications Linear Motor Type
last update: August 16, 2021
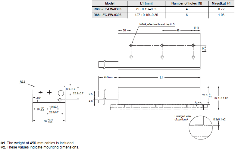
(Unit: mm)
Note: R88D-KN[]-ECT-L is the AC Servo Drives with Built-in EtherCAT Communications type.
last update: August 16, 2021