NX-series Incremental Encoder Input Unit
last update: February 6, 2020
| Item | Specification | |
|---|---|---|
| Enclosure | Mounted in a panel | |
| Grounding method | Ground to less than 100 Ω | |
| Operating
environment |
Ambient operating temperature | 0 to 55°C |
| Ambient operating humidity | 10% to 95% (with no condensation or icing) | |
| Atmosphere | Must be free from corrosive gases. | |
| Ambient storage temperature | -25 to 70°C (with no condensation or icing) | |
| Altitude | 2,000 m max. | |
| Pollution degree | Pollution degree 2 or less: Meets IEC 61010-2-201. | |
| Noise immunity | Conforms to IEC61000-4-4, 2 kV (power supply line) | |
| Overvoltage category | Category II: Meets IEC 61010-2-201. | |
| EMC immunity level | Zone B | |
| Vibration resistance | Conforms to IEC 60068-2-6.
5 to 8.4 Hz with 3.5-mm amplitude, 8.4 to 150 Hz, acceleration of 9.8 m/s2, 100 min each in X, Y, and Z directions (10 sweeps of 10 min each = 100 min total) |
|
| Shock resistance | Conforms to IEC 60068-2-27. 147 m/s2, 3 times each in X, Y, and
Z directions |
|
| Applicable standards * | cULus: Listed (UL508) or Listed (UL 61010-2-201), ANSI/ISA
12.12.01, EU: EN 61131-2, C-Tick or RCM, KC Registration, NK, LR |
|
*Ask your OMRON representative for the most recent applicable standards for each model.
| Unit name | Incremental Encoder Input Unit | Model | NX-EC0112 | |
|---|---|---|---|---|
| Number of channels | 1 channel | Type of external
connections |
Screwless clamping terminal block
(16 terminals) |
|
| I/O refreshing method | Free-Run refreshing, synchronous I/O refreshing or task period prioritized refreshing * | |||
| Indicators | ![]() |
Input signals | Counter: Phases A, B, and Z
External Inputs: 3 |
|
| Input form | Voltage input (24 V) | |||
| Counting unit | Pulses | |||
| Pulse input method | Phase differential pulse (multiplication x2/4), pulse + direction inputs,
or up and down pulse inputs |
|||
| Counter range | -2,147,483,648 to 2,147,483,647 pulses | |||
| Counter functions | ||||
| Counter type | Ring counter or linear counter | |||
| Counter controls | Gate control, counter reset, and counter preset | |||
| Latch function | Two external input latches and one internal latch | |||
| Measurements | Two external input latches and one internal latch | |||
| Voltage input specifications | ||||
| Input voltage | 20.4 to 28.8 VDC
(24 VDC +20%/-15%) |
ON voltage | 19.6 VDC min./3 mA min. | |
| Input current | 4.2 mA typical (24 VDC) | OFF voltage | 4.0 VDC max./1 mA max. | |
| Maximum response
frequency |
Phases A and B: Single-phase 500 kHz (phase differential pulse input x4: 125 kHz),
Phase Z: 125 kHz |
|||
| Internal I/O common
processing |
NPN | |||
| External input specifications | ||||
| Input voltage | 20.4 to 28.8 VDC
(24 VDC +20%, -15%) |
ON voltage/
ON current |
15 VDC min./3 mA min. | |
| Input current | 4.6 mA typical (24 VDC) | OFF voltage/
OFF current |
4.0 VDC max./1 mA max. | |
| ON/OFF response
time |
1 μs max./2 μs max. | |||
| Internal I/O common
processing |
NPN | |||
| Dimensions | 12 × 100 × 71 mm
(W × H × D) |
Isolation method | Photocoupler isolation | |
| Insulation resistance | 20 MΩ min. between isolated
circuits (at 100 VDC) |
Dielectric
strength |
510 VAC between isolated circuits
for 1 minute with leakage current of 5 mA max. |
|
| I/O power supply
method |
Supplied from the NX bus.
20.4 to 28.8 VDC (24 VDC +20%, -15%) |
Current capacity
of I/O power supply terminals |
IOV: 0.3 A max. per terminal for
encoder supply section and 0.1 A max. per terminal for other sections IOG: 0.3 A max. per terminal for encoder supply section and 0.1 A max. per terminal for other sections |
|
| NX Unit power
consumption |
• Connected to a CPU Unit
1.15 W max. • Connected to a Commu- nications Coupler Unit 0.85 W max. |
Current
consumption from I/O power supply |
None | |
| Weight | 70 g max. | |||
| Circuit layout | ![]() |
|||
| Installation orientation
and restrictions |
Installation orientation:
• Connected to a CPU Unit: Possible in upright installation. • Connected to a Communications Coupler Unit: Possible in 6 orientations. Restrictions: There are no restrictions. |
|||
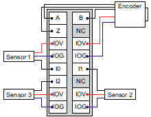
| Terminal connection
diagram |
![]() |
|||
| Failure detection | None | Protection | None | |
* The I/O refreshing method is automatically set according to the connected Communications Coupler Unit and CPU Unit.
| Unit name | Incremental Encoder Input Unit | Model | NX-EC0122 | |
|---|---|---|---|---|
| Number of channels | 1 channel | Type of external
connections |
Screwless push-in terminal block
(16 terminals) |
|
| I/O refreshing method | Free-Run refreshing, synchronous I/O refreshing or task period prioritized refreshing * | |||
| Indicators | ![]() |
Input signals | Counter: Phases A, B, and Z
External Inputs: 3 |
|
| Input form | Voltage input (24 V) | |||
| Counting unit | Pulses | |||
| Pulse input method | Phase difference pulse (multiplication x2/4), pulse + direction inputs,
or up and down pulse inputs |
|||
| Counter range | -2,147,483,648 to 2,147,483,647 pulses | |||
| Counter functions | ||||
| Counter type | Ring counter or linear counter | |||
| Counter controls | Gate control, counter reset, and counter preset | |||
| Latch function | Two external input latches and one internal latch | |||
| Measurements | Two external input latches and one internal latch | |||
| Voltage input specifications | ||||
| Input voltage | 20.4 to 28.8 VDC
(24 VDC +20%/-15%) |
ON voltage | 19.6 VDC min./3 mA min. | |
| Input current | 4.2 mA typical (24 VDC) | OFF voltage | 4.0 VDC max./1 mA max. | |
| Maximum response
frequency |
Phases A and B: Single-phase 500 kHz (phase difference pulse input x4: 125 kHz),
Phase Z: 125 kHz |
|||
| Internal I/O common
processing |
PNP | |||
| External input specifications | ||||
| Input voltage | 20.4 to 28.8 VDC
(24 VDC +20%/-15%) |
ON voltage/
ON current |
15 VDC min./3 mA min. | |
| Input current | 4.6 mA typical (24 VDC) | OFF voltage/
OFF current |
4.0 VDC max./1 mA max. | |
| ON/OFF response
time |
1 μs max./2 μs max. | |||
| Internal I/O common
processing |
PNP | |||
| Dimensions | 12 × 100 × 71 mm
(W × H × D) |
Isolation method | Photocoupler isolation | |
| Insulation resistance | 20 MΩ min. between isolated
circuits (at 100 VDC) |
Dielectric
strength |
510 VAC between isolated circuits
for 1 minute with leakage current of 5 mA max. |
|
| I/O power supply
source |
Supplied from the NX bus.
20.4 to 28.8 VDC (24 VDC +20%/-15%) |
Current capacity
of I/O power supply terminals |
IOV: 0.3 A max. per terminal for
encoder supply section and 0.1 A max. per terminal for other sections IOG: 0.3 A max. per terminal for encoder supply section and 0.1 A max. per terminal for other sections |
|
| NX Unit power
consumption |
• Connected to a CPU Unit
1.30 W max. • Connected to a Commu- nications Coupler Unit 0.95 W max. |
Current
consumption from I/O power supply |
None | |
| Weight | 70 g max. | |||
| Circuit layout | ![]() |
|||
| Installation orientation
and restrictions |
Installation orientation:
• Connected to a CPU Unit: Possible in upright installation. • Connected to a Communications Coupler Unit: Possible in 6 orientations. Restrictions: There are no restrictions. |
|||
| Terminal connection
diagram |
![]() |
|||
| Failure detection | None | Protection | None | |
* The I/O refreshing method is automatically set according to the connected Communications Coupler Unit and CPU Unit.
| Unit name | Incremental Encoder Input Unit | Model | NX-EC0132 | |
|---|---|---|---|---|
| Number of channels | 1 channel | Type of external
connections |
Screwless clamping terminal block
(12 terminals × 2) |
|
| I/O refreshing method | Free-Run refreshing, synchronous I/O refreshing or task period prioritized refreshing * | |||
| Indicators | ![]() |
Input signals | Counter: Phases A, B, and Z
External Inputs: 3 |
|
| Input form | Line receiver input | |||
| Counting unit | Pulses | |||
| Pulse input method | Phase differential pulse (multiplication x2/4), pulse + direction inputs,
or up and down pulse inputs |
|||
| Counter range | -2,147,483,648 to 2,147,483,647 pulses | |||
| Counter functions | ||||
| Counter type | Ring counter or linear counter | |||
| Counter controls | Gate control, counter reset, and counter preset | |||
| Latch function | Two external input latches and one internal latch | |||
| Measurements | Pulse rate measurement and pulse period measurement | |||
| Line driver specifications | ||||
| Input voltage | EIA standard RS-422-A line
driver levels |
High level input
voltage |
VIT+: 0.1 V min. | |
| Input impedance | 120 Ω ± 5% | Low level input
voltage |
VIT-: -0.1 V min. | |
| Hysteresis voltage | Vhys (VIT+ - VIT-): 60 mV | |||
| Maximum response
frequency |
Phases A and B: Single-phase 4 MHz (phase differential pulse input x4: 1 MHz),
Phase Z: 1 MHz |
|||
| 5-V power supply for
encoder |
Output voltage: 5 VDC ±5%
Output current: 500 mA max. |
|||
| External input specifications | ||||
| Input voltage | 20.4 to 28.8 VDC
(24 VDC +20%, -15%) |
ON voltage/
ON current |
15 VDC min./3 mA min. | |
| Input current | 3.5 mA typical (24 VDC) | OFF voltage/
OFF current |
5.0 VDC max./1 mA max. | |
| ON/OFF response
time |
1 μs max./1 μs max. | |||
| Internal I/O common
processing |
NPN | |||
| Dimensions | 12 × 100 × 71 mm
(W × H × D) |
Isolation method | Digital isolator | |
| Insulation resistance | 20 MΩ min. between isolated
circuits (at 100 VDC) |
Dielectric
strength |
510 VAC between isolated circuits
for 1 minute with leakage current of 5 mA max. |
|
| I/O power supply
method |
Supplied from the NX bus.
20.4 to 28.8 VDC (24 VDC +20%, -15%) |
Current capacity
of I/O power supply terminals |
IOV: 0.1 A max. per terminal
IOG: 0.1 A max. per terminal |
|
| NX Unit power
consumption |
• Connected to a CPU Unit
1.25 W max. • Connected to a Commu- nications Coupler Unit 0.95 W max. |
Current
consumption from I/O power supply |
Unit current consumption: 30 mA max.
Consumption from encoder 5-V power supply: 0.28 × Encoder current consumption mA |
|
| Weight | 130 g max. | |||
| Circuit layout | ![]() |
|||
| Installation orientation
and restrictions |
Installation orientation:
• Connected to a CPU Unit: Possible in upright installation. • Connected to a Communications Coupler Unit: Possible in 6 orientations. Restrictions: There are no restrictions. |
|||
| Terminal connection
diagram |
![]() |
|||
| Failure detection | None | Protection | None | |
* The I/O refreshing method is automatically set according to the connected Communications Coupler Unit and CPU Unit.
| Unit name | Incremental Encoder Input Unit | Model | NX-EC0142 | |
|---|---|---|---|---|
| Number of channels | 1 channel | Type of external
connections |
Screwless push-in terminal block
(12 terminals × 2) |
|
| I/O refreshing method | Free-Run refreshing, synchronous I/O refreshing or task period prioritized refreshing * | |||
| Indicators | ![]() |
Input signals | Counter: Phases A, B, and Z
External Inputs: 3 |
|
| Input form | Line receiver input | |||
| Counting unit | Pulses | |||
| Pulse input method | Phase difference pulse (multiplication x2/4), pulse + direction inputs,
or up and down pulse inputs |
|||
| Counter range | -2,147,483,648 to 2,147,483,647 pulses | |||
| Counter functions | ||||
| Counter type | Ring counter or linear counter | |||
| Counter controls | Gate control, counter reset, and counter preset | |||
| Latch function | Two external input latches and one internal latch | |||
| Measurements | Pulse rate measurement and pulse period measurement | |||
| Line driver specifications | ||||
| Input voltage | EIA standard RS-422-A line
driver levels |
High level input
voltage |
VIT+: 0.1 V min. | |
| Input impedance | 120 Ω ± 5% | Low level input
voltage |
VIT-: -0.1 V min. | |
| Hysteresis voltage | Vhys (VIT+ - VIT-): 60 Mv | |||
| Maximum response
frequency |
Phases A and B: Single-phase 4 MHz (phase difference pulse input x4: 1 MHz),
Phase Z: 1 MHz |
|||
| 5-V power supply for
encoder |
Output voltage: 5 VDC
Output current: 500 mA max. |
|||
| External input specifications | ||||
| Input voltage | 20.4 to 28.8 VDC
(24 VDC +20%/.15%) |
ON voltage/
ON current |
15 VDC min./3 mA min. | |
| Input current | 3.5 mA typical (24 VDC) | OFF voltage/
OFF current |
4.0 VDC max./1 mA max. | |
| ON/OFF response
time |
1 μs max./2 μs max. | |||
| Internal I/O common
processing |
PNP | |||
| Dimensions | 12 × 100 × 71 mm
(W × H × D) |
Isolation method | Photocoupler isolation | |
| Insulation resistance | 20 MΩ min. between isolated
circuits (at 100 VDC) |
Dielectric
strength |
510 VAC between isolated circuits
for 1 minute with leakage current of 5 mA max. |
|
| I/O power supply
source |
Supplied from the NX bus.
20.4 to 28.8 VDC (24 VDC +20%/-15%) |
Current capacity
of I/O power supply terminals |
IOV: 0.1 A max. per terminal
IOG: 0.1 A max. per terminal |
|
| NX Unit power
consumption |
• Connected to a CPU Unit
1.50 W max. • Connected to a Commu- nications Coupler Unit 1.05 W max. |
Current
consumption from I/O power supply |
Unit current consumption: 30 mA max.
Consumption from encoder 5-V power supply: 0.28 × Encoder current consumption mA |
|
| Weight | 130 g max. | |||
| Circuit layout | ![]() |
|||
| Installation orientation
and restrictions |
Installation orientation:
• Connected to a CPU Unit: Possible in upright installation. • Connected to a Communications Coupler Unit: Possible in 6 orientations. Restrictions: There are no restrictions. |
|||
| Terminal connection
diagram |
![]() |
|||
| Failure detection | None | Protection | None | |
* The I/O refreshing method is automatically set according to the connected Communications Coupler Unit and CPU Unit.
| Unit name | Incremental Encoder Input Unit | Model | NX-EC0212 | |
|---|---|---|---|---|
| Number of channels | 2 channels | Type of external
connections |
Screwless clamping terminal block
(12 terminals) |
|
| I/O refreshing method | Free-Run refreshing, synchronous I/O refreshing or task period prioritized refreshing * | |||
| Indicators | ![]() |
Input signals | Counter: Phases A, B, and Z
External Inputs: None |
|
| Input form | Voltage input (24 V) | |||
| Counting unit | Pulses | |||
| Pulse input method | Phase differential pulse (multiplication x2/4), pulse + direction inputs,
or up and down pulse inputs |
|||
| Counter range | -2,147,483,648 to 2,147,483,647 pulses | |||
| Counter functions | ||||
| Counter type | Ring counter or linear counter | |||
| Counter controls | Gate control, counter reset, and counter preset | |||
| Latch function | Two external input latches and one internal latch | |||
| Measurements | Two external input latches and one internal latch | |||
| Voltage input specifications | ||||
| Input voltage | 20.4 to 28.8 VDC
(24 VDC +20%, -15%) |
ON voltage | 19.6 VDC min./3 mA min. | |
| Input current | 4.2 mA typical (24 VDC) | OFF voltage | 4.0 VDC max./1 mA max. | |
| Maximum response
frequency |
Phases A and B: Single-phase 500 kHz (phase differential pulse input x4: 125 kHz),
Phase Z: 125 kHz |
|||
| Internal I/O common
processing |
NPN | |||
| External input specifications | ||||
| Input voltage | - | ON voltage/
ON current |
- | |
| Input current | - | OFF voltage/
OFF current |
- | |
| ON/OFF response time | - | |||
| Internal I/O common
processing |
- | |||
| Dimensions | 12 × 100 × 71 mm
(W × H × D) |
Isolation method | Photocoupler isolation | |
| Insulation resistance | 20 MΩ min. between isolated
circuits (at 100 VDC) |
Dielectric
strength |
510 VAC between isolated circuits
for 1 minute with leakage current of 5 mA max. |
|
| I/O power supply
method |
Supplied from the NX bus.
20.4 to 28.8 VDC (24 VDC +20%, -15%) |
Current capacity
of I/O power supply terminals |
IOV: 0.3 A max. per terminal
IOG: 0.3 A max. per terminal |
|
| NX Unit power
consumption |
• Connected to a CPU Unit
1.15 W max. • Connected to a Commu- nications Coupler Unit 0.85 W max. |
Current
consumption from I/O power supply |
None | |
| Weight | 70 g max. | |||
| Circuit layout | ![]() |
|||
| Installation orientation
and restrictions |
Installation orientation:
• Connected to a CPU Unit: Possible in upright installation. • Connected to a Communications Coupler Unit: Possible in 6 orientations. Restrictions: There are no restrictions. |
|||
| Terminal connection
diagram |
![]() |
|||
| Failure detection | None | Protection | None | |
* The I/O refreshing method is automatically set according to the connected Communications Coupler Unit and CPU Unit.
| Unit name | Incremental Encoder Input Unit | Model | NX-EC0222 | |
|---|---|---|---|---|
| Number of channels | 2 channels | Type of external
connections |
Screwless push-in terminal block
(12 terminals) |
|
| I/O refreshing method | Free-Run refreshing, synchronous I/O refreshing or task period prioritized refreshing * | |||
| Indicators | ![]() |
Input signals | Counter: Phases A, B, and Z
External Inputs: None |
|
| Input form | Voltage input (24 V) | |||
| Counting unit | Pulses | |||
| Pulse input method | Phase difference pulse (multiplication x2/4), pulse + direction inputs,
or up and down pulse 3inputs |
|||
| Counter range | -2,147,483,648 to 2,147,483,647 pulses | |||
| Counter functions | ||||
| Counter type | Ring counter or linear counter | |||
| Counter controls | Gate control, counter reset, and counter preset | |||
| Latch function | Two external input latches and one internal latch | |||
| Measurements | Two external input latches and one internal latch | |||
| Voltage input specifications | ||||
| Input voltage | 20.4 to 28.8 VDC
(24 VDC +20%/-15%) |
ON voltage | 19.6 VDC min./3 mA min. | |
| Input current | 4.2 mA typical (24 VDC) | OFF voltage | 4.0 VDC max./1 mA max. | |
| Maximum response
frequency |
Phases A and B: Single-phase 500 kHz (phase difference pulse input x4: 125 kHz),
Phase Z: 125 kHz |
|||
| Internal I/O common
processing |
PNP | |||
| External input specifications | ||||
| Input voltage | - | ON voltage/
ON current |
- | |
| Input current | - | OFF voltage/
OFF current |
- | |
| ON/OFF response
time |
- | |||
| Internal I/O common
processing |
- | |||
| Dimensions | 12 × 100 × 71 mm
(W × H × D) |
Isolation method | Photocoupler isolation | |
| Insulation resistance | 20 MΩ min. between isolated
circuits (at 100 VDC) |
Dielectric
strength |
510 VAC between isolated circuits
for 1 minute with leakage current of 5 mA max. |
|
| I/O power supply
source |
Supplied from the NX bus.
20.4 to 28.8 VDC (24 VDC +20%/-15%) |
Current capacity
of I/O power supply terminals |
IOV: 0.3 A max. per terminal
IOG: 0.3 A max. per terminal |
|
| NX Unit power
consumption |
• Connected to a CPU Unit
1.30 W max. • Connected to a Commu- nications Coupler Unit 0.95 W max. |
Current
consumption from I/O power supply |
None | |
| Weight | 70 g max. | |||
| Circuit layout | ![]() |
|||
| Installation orientation
and restrictions |
Installation orientation:
• Connected to a CPU Unit: Possible in upright installation. • Connected to a Communications Coupler Unit: Possible in 6 orientations. Restrictions: There are no restrictions. |
|||
| Terminal connection
diagram |
![]() |
|||
| Failure detection | None | Protection | None | |
* The I/O refreshing method is automatically set according to the connected Communications Coupler Unit and CPU Unit.
Refer to the user's manual for the CPU Unit details on the CPU Units to which NX Units can be connected.
| NX Unit | Corresponding unit versions/versions | ||
|---|---|---|---|
| Model | Unit version | CPU Unit | Sysmac Studio |
| NX-EC0112 | Ver. 1.1 | Ver.1.13 | Ver.1.17 |
| Ver. 1.2 | |||
| NX-EC0122 | Ver. 1.0 | Ver.1.13 | Ver.1.17 |
| Ver. 1.1 | |||
| Ver. 1.2 | |||
| NX-EC0132 | Ver. 1.1 | Ver.1.13 | Ver.1.17 |
| Ver. 1.2 | |||
| NX-EC0142 | Ver. 1.0 | Ver.1.13 | Ver.1.17 |
| Ver. 1.1 | |||
| Ver. 1.2 | |||
| NX-EC0212 | Ver. 1.1 | Ver.1.13 | Ver.1.17 |
| Ver. 1.2 | |||
| NX-EC0222 | Ver. 1.0 | Ver.1.13 | Ver.1.17 |
| Ver. 1.1 | |||
| Ver. 1.2 | |||
Note: Some Units do not have all of the versions given in the above table. If a Unit does not have the specified version, support is provided by the oldest available version after the specified version. Refer to the user’s manuals for the specific Units for the relation between models and versions.
| NX Unit | Corresponding unit versions/versions | |||
|---|---|---|---|---|
| Model | Unit version | EtherCAT
Coupler Unit |
CPU Unit or Industrial PC | Sysmac Studio |
| NX-EC0112 | Ver. 1.1 | Ver. 1.1 *1 | Ver. 1.06 *1 | Ver. 1.10 |
| Ver. 1.2 | Ver. 1.3 *2*3 | Ver. 1.13 | ||
| NX-EC0122 | Ver. 1.0 | Ver. 1.1 *1 | Ver. 1.06 *1 | Ver. 1.07 |
| Ver. 1.1 | Ver. 1.08 | |||
| Ver. 1.2 | Ver. 1.3 *2*3 | Ver. 1.13 | ||
| NX-EC0132 | Ver. 1.1 | Ver. 1.1 *1 | Ver. 1.06 *1 | Ver. 1.10 |
| Ver. 1.2 | Ver. 1.3 *2*3 | Ver. 1.13 | ||
| NX-EC0142 | Ver. 1.0 | Ver. 1.1 *1 | Ver. 1.06 *1 | Ver. 1.07 |
| Ver. 1.1 | Ver. 1.08 | |||
| Ver. 1.2 | Ver. 1.3 *2*3 | Ver. 1.13 | ||
| NX-EC0212 | Ver. 1.1 | Ver. 1.1 *1 | Ver. 1.06 *1 | Ver. 1.10 |
| Ver. 1.2 | Ver. 1.3 *2*3 | Ver. 1.13 | ||
| NX-EC0222 | Ver. 1.0 | Ver. 1.1 *1 | Ver. 1.06 *1 | Ver. 1.07 |
| Ver. 1.1 | Ver. 1.08 | |||
| Ver. 1.2 | Ver. 1.3 *2*3 | Ver. 1.13 | ||
Note: Some Units do not have all of the versions given in the above table. If a Unit does not have the specified version, support is provided by the oldest available version after the specified version. Refer to the user’s manuals for the specific Units for the relation between models and versions.
*1. You can use the following versions if time stamp refreshing is not used.
*2. To use task period prioritized refreshing, you must use the NX-ECC203.
*3. If you do not use task period prioritized refreshing, you can use EtherCAT Coupler Units which support Position Interface Units with unit version 1.1 or earlier.
*4. If you do not use task period prioritized refreshing, you can use EtherCAT Coupler Units with unit version 1.0.
| NX Unit | Corresponding unit versions/versions | ||||||
|---|---|---|---|---|---|---|---|
| Model | Unit
version |
Application with an NJ/NX/NY-series Controller
*1 |
Application with a CS/CJ/CP-series PLC *2 | ||||
| EtherNet/IP
Coupler Unit |
CPU Unit or
Industrial PC |
Sysmac
Studio |
EtherNet/IP
Coupler Unit |
Sysmac
Studio |
NX-IO
Configurator *3 |
||
| NX-EC0112 | Ver. 1.1 | Ver. 1.2 | Ver. 1.14 | Ver. 1.19 | Ver. 1.0 | Ver. 1.10 | Ver. 1.00 |
| Ver. 1.2 | Ver. 1.13 | ||||||
| NX-EC0122 | Ver. 1.0 | Ver. 1.2 | Ver. 1.14 | Ver. 1.19 | Ver. 1.0 | Ver. 1.10 | Ver. 1.00 |
| Ver. 1.1 | |||||||
| Ver. 1.2 | Ver. 1.13 | ||||||
| NX-EC0132 | Ver. 1.1 | Ver. 1.2 | Ver. 1.14 | Ver. 1.19 | Ver. 1.0 | Ver. 1.10 | Ver. 1.00 |
| Ver. 1.2 | Ver. 1.13 | ||||||
| NX-EC0142 | Ver. 1.0 | Ver. 1.2 | Ver. 1.14 | Ver. 1.19 | Ver. 1.0 | Ver. 1.10 | Ver. 1.00 |
| Ver. 1.1 | |||||||
| Ver. 1.2 | Ver. 1.13 | ||||||
| NX-EC0212 | Ver. 1.1 | Ver. 1.2 | Ver. 1.14 | Ver. 1.19 | Ver. 1.0 | Ver. 1.10 | Ver. 1.00 |
| Ver. 1.2 | Ver. 1.13 | ||||||
| NX-EC0222 | Ver. 1.0 | Ver. 1.2 | Ver. 1.14 | Ver. 1.19 | Ver. 1.0 | Ver. 1.10 | Ver. 1.00 |
| Ver. 1.1 | |||||||
| Ver. 1.2 | Ver. 1.13 | ||||||
Note: 1. Some Units do not have all of the versions given in the above table. If a Unit does not have the specified version, support is provided by the oldest available version after the specified version. Refer to the user’s manuals for the specific Units for the relation between models and versions.
Note: 2. You cannot connect the relevant NX Unit or use the relevant NX Unit function if “---” is shown in the corresponding unit versions/versions column.
*1. Refer to the user's manual of the EtherNet/IP Coupler Unit for the unit versions of EtherNet/IP Units corresponding to EtherNet/IP Coupler Units.
*2. Refer to the user's manual of the EtherNet/IP Coupler Unit for the unit versions of CPU Units and EtherNet/IP Units corresponding to EtherNet/IP Coupler Units.
*3. For connection to an EtherNet/IP Coupler Unit with unit version 1.0, connection is supported only for a connection to the peripheral USB port on the EtherNet/IP Coupler Unit. You cannot connect by any other path. If you need to connect by another path, use an EtherNet/IP Coupler Unit with unit version 1.2 or later.
last update: February 6, 2020