Page top

Industrial Automation

Industrial Automation

A30NS / A30NW

Selector Switches

A30NS / A30NW

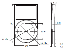
30-mm dia. Knob-type Selector Switches Control panel miniaturization through a more compact design and modified wiring direction. Addition of Push-In Plus terminal blocks for easy wiring. Workability and safety improvements.

(Unit: mm)

Lighted and Non-lighted Selection Switches

Two-position Switches with Brushed Metal Bezels

A30N[]-2M[]-[][]A-G[]-[][]

A30NS / A30NW Dimensions 2

A30N[]-2M[]-[][]A-P[]-[][]

A30NS / A30NW Dimensions 3

Three-position Switches with Brushed Metal Bezels

A30N[]-3M[]-[][]A-G[]-[][]

A30NS / A30NW Dimensions 4

A30N[]-3M[]-[][]A-P[]-[][]

A30NS / A30NW Dimensions 5

Depth with Linked Units

(Screw terminal block type)

A30NS / A30NW Dimensions 6

Depth when a double-contact unit is mounted

(Push-In Plus terminal block type)

A30NS / A30NW Dimensions 7

Subassemblies (Common)

LED Lamps

A22NZ-L-[][]

A30NS / A30NW Dimensions 9

Mounting Collar

A22NZ-H-01

A30NS / A30NW Dimensions 10

Screw terminal block

Contact Blocks

A22NZ-S-G1[]

A30NS / A30NW Dimensions 12

Lighting Units

A22NZ-T-[]

A30NS / A30NW Dimensions 13

Push-In Plus Terminal Blocks

Contact Blocks (Single Contact)

A22NZ-S-P1[]

A30NS / A30NW Dimensions 15

Contact Blocks (Double Contact)

A22NZ-S-P2[]

A30NS / A30NW Dimensions 16

Lighting Units

A22NZ-T-[]P

A30NS / A30NW Dimensions 17

Accessories and Tools

Protective Cover

A22NZ-A303

A30NS / A30NW Dimensions 19

Plastic Hole Plug

A22NZ-A-401

A30NS / A30NW Dimensions 20

Metal Hole Plug

A22NZ-A-402

A30NS / A30NW Dimensions 21

Lock Ring

A22NZ-A-403

A30NS / A30NW Dimensions 22

Lock Ring

A22NZ-A-50501

A30NS / A30NW Dimensions 23

Reinforcement Plate

A22NZ-A-C01

A30NS / A30NW Dimensions 24

Control Box

A22NZ-A-B101
A22NZ-A-B101Y

A30NS / A30NW Dimensions 25

Control Box (2 holes)

A22NZ-A-B102

A30NS / A30NW Dimensions 26

Control Box (3 holes)

A22NZ-A-B103

A30NS / A30NW Dimensions 27

Control Box

A22NZ-A-B201
A22NZ-A-B01Y

A30NS / A30NW Dimensions 28

Control Box (2 holes)

A22NZ-A-B202

A30NS / A30NW Dimensions 29

Control Box (3 holes)

A22NZ-A-B203

A30NS / A30NW Dimensions 30

Sealing cap

For Flat Models A22Z-3600F

A30NS / A30NW Dimensions 31

For projection models A22Z-3600T

A30NS / A30NW Dimensions 32

For full-guard models A22Z-3600G

A30NS / A30NW Dimensions 33

Resin Attachment for 30 dia.

A22Z-A30

A30NS / A30NW Dimensions 34

Legend Plate Frames

General A22NZ-A-50103

A30NS / A30NW Dimensions 35

Large A22NZ-A-51103

A30NS / A30NW Dimensions 36

Legend Plates

General A22Z-3443[]-[]

A30NS / A30NW Dimensions 37

Large A22Z-3453[]

A30NS / A30NW Dimensions 38

Tightening Wrench

A22NZ-A-301

A30NS / A30NW Dimensions 39

LED Lamp Extractor

A22NZ-A-302

A30NS / A30NW Dimensions 40

Cap Tightening Wrench

A22Z-3908

A30NS / A30NW Dimensions 41