Page top

Industrial Automation

Industrial Automation

STC Series (Analog Progressive Camera)

Analog Progressive Camera

STC Series (Analog Progressive Camera)

Progressive Scan Monochrome CCD Camera

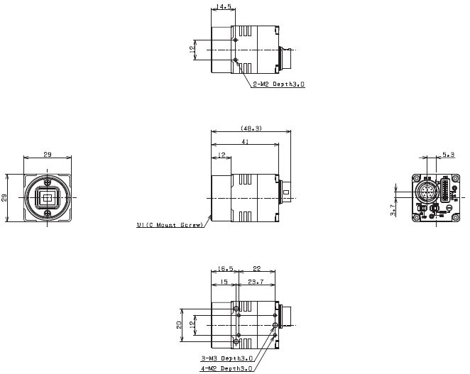
(Unit: mm)

STC-MB33SS

STC Series (Analog Progressive Camera) Dimensions 1