Page top

Industrial Automation

Industrial Automation

STC Series (USB3.0 Vision Board Level Camera with Liquid Lens)

USB3.0 Vision Board Level Camera with Liquid Lens

STC Series (USB3.0 Vision Board Level Camera with Liquid Lens)

Small Camera with Liquid Lens

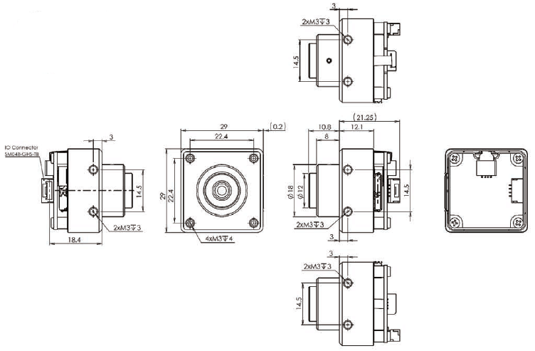
(Unit: mm)

STC-BBS/BCS43U3V-VF096
STC-BBS/BCS163U3V-VF096
STC-BBS/BCS502U3V-VF096

STC Series (USB3.0 Vision Board Level Camera with Liquid Lens) Dimensions 1