Page top

Industrial Automation

Industrial Automation

E3Z-LT / LR / LL

Compact Laser Photoelectric Sensor with Built-in Amplifier

E3Z-LT / LR / LL

Compact and Reliable Laser Photoelectric Sensor

(Unit: mm)

Tolerance class IT16 applies to dimensions in this datasheet unless otherwise specified.

Sensors

Through-beam *
Pre-wired Models
E3Z-LT61, E3Z-LT81

E3Z-LT / LR / LL Dimensions 3

Through-beam *
Standard Connector Models
E3Z-LT66, E3Z-LT86

E3Z-LT / LR / LL Dimensions 4

* Models numbers for Through-beam Sensors (E3Z-LT[][]) are for sets that include both the Emitter and Receiver.
    The model number of the Emitter is expressed by adding "-L" to the set model number (example: E3Z-LT61-L 2M),
    the model number of the Receiver, by adding "-D" (example: E3Z-LT61-D 2M.) Refer to Ordering Information to
    confirm model numbers for Emitter and Receivers.

Retro-reflective Models
Pre-wired Models
E3Z-LR61, E3Z-LR81

E3Z-LT / LR / LL Dimensions 6

Retro-reflective Models
Standard Connector Models
E3Z-LR66, E3Z-LR86

E3Z-LT / LR / LL Dimensions 7

BGS Models
Pre-wired Models
E3Z-LL61, E3Z-LL81
E3Z-LL63, E3Z-LL83

E3Z-LT / LR / LL Dimensions 8

BGS Models
Standard M8 Connector Models
E3Z-LL66, E3Z-LL86
E3Z-LL68, E3Z-LL88

E3Z-LT / LR / LL Dimensions 9

Accessories (Order Separately)

Slit
E39-S65A

E3Z-LT / LR / LL Dimensions 11

Material
SUS301 stainless steel

Reflector
E39-R1

E3Z-LT / LR / LL Dimensions 12

Materials
Reflective surface: Acrylic
Rear surface: ABS

Reflector
E39-R6

E3Z-LT / LR / LL Dimensions 13 E39-R6_Dim

Materials
Reflective surface: Acrylic
Rear surface: ABS

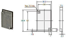
Reflector
E39-R12

E3Z-LT / LR / LL Dimensions 14

Note:Materials
Reflector: Polycarbonate (surface), Acrylic (interior)
Frame: ABS