Distance-settable Photoelectric Sensor
             
        
last update: June 23, 2025
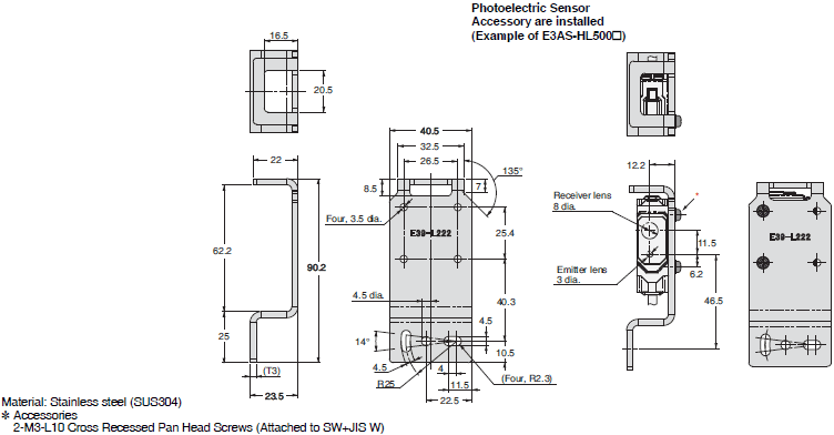
(Unit: mm)
Tolerance class IT16 applies to dimensions in this data sheet unless otherwise specified.
            E3AS-HL500[] (-M1TJ)
E3AS-HL150[] (-M1TJ)
        
 
       
    
            E3AS-HL500[] M3
E3AS-HL150[] M3
        
 
       
    
            E3AS-F1500[] (-M1TJ)
E3AS-F1000[] (-M1TJ)
        
 
       
    
            E3AS-F1500[] M3
E3AS-F1000[] M3
        
 
       
    
            E3AS-L200[] (-M1TJ)
E3AS-L80[] (-M1TJ)
        
 
       
    
            E3AS-L200[] M3
E3AS-L80[] M3
        
 
       
    E39-L262
 
       
    E39-L263
 
       
    last update: June 23, 2025